( I apologize if there's confusion. I believe BDD's SCSI controller is attached in a way that uses only 8 of its pins as a data bus to accept register reads and register writes from the '816. Thus the coalescing of two byte writes into a single word is entirely internal to the controller. tokofondo's proposed project also involves the coalescing of two byte writes into a single word, but using added, external logic. Hopefully BDD and I aren't
too grievously off-topic... ... yet!

)
At the time I was looking at this problem I didn't have the means to watch all the relevant signals to see exactly what was going on with /CS.
Fair enough. Since you found a way to get the device working it totally made sense to move on. Worth noting, BTW, that that SCSI controller is *quite* an intricate beast!

(as a quick skim through the datasheet will reveal).
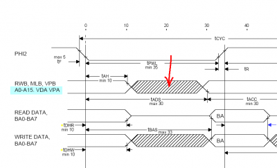
I/O decoding in POC is fully qualified by VDA and VPA. So in theory, a chip select should not occur during the early part of Ø2 low and hence the CF94's /CS should be released for a brief time.
Hang on, can we unpack that? You seem to imply that VDA and VPA are known to be low during the early part of Ø2 low.
During the period marked by the red arrow, VDA and VPA may indeed be unstable or in flux. But they're no more predictable than the address lines. By that I mean there's no guarantee whether they'll be high or low.
Your scope will show that, during the non-guaranteed period, address lines may glitch but they usually begin with the not-yet-updated value from the previous cycle, then sometime before tADS expires they assume the new value.
I think you'll find the same is true for VDA and VPA. Certainly I'm not aware of anything in the datasheet that
guarantees they'll go low prior to assuming their new values when tADS has elapsed. (IMO WDC often uses English in a way that's subtley or even wildly ambiguous. I'd
much rather listen to what my scope has to say!)
If we need to follow up, BDD, can you suggest which of your POC threads would be most appropriate? Thanks,
Jeff