VIC 20 Clock circuit
VIC 20 Clock circuit
My VIC 20 has a 7402 to produce the clock signal for the system and I tried to replace it with a 74LS132, which didn't work. The Oscilloscope shows a nice signal, but the VIC doesn't work with it. A 74LS02 doesn't work either. Any Ideas?
Re: VIC 20 Clock circuit
A 7402 is a quad 2-input NOR gate but a 74LS132 is a quad 2-input NAND gate with a different pinout, so it's no suprise that that didn't work.
As far as the 74LS02, there could be timing issues there, since it has slightly different specs from the 7402.
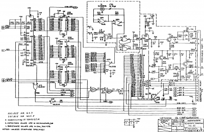
I found a couple of VIC-20 schematics here for E ("older") and N ("newer") versions of the VIC-20. I assume that yours is the N version, since that seems to be the only one with a 7402 (the E version uses a 74S02), but you'll stand a better chance of getting help if you can point people at schematics you've confirmed are for your system and identify which chip you're talking about.
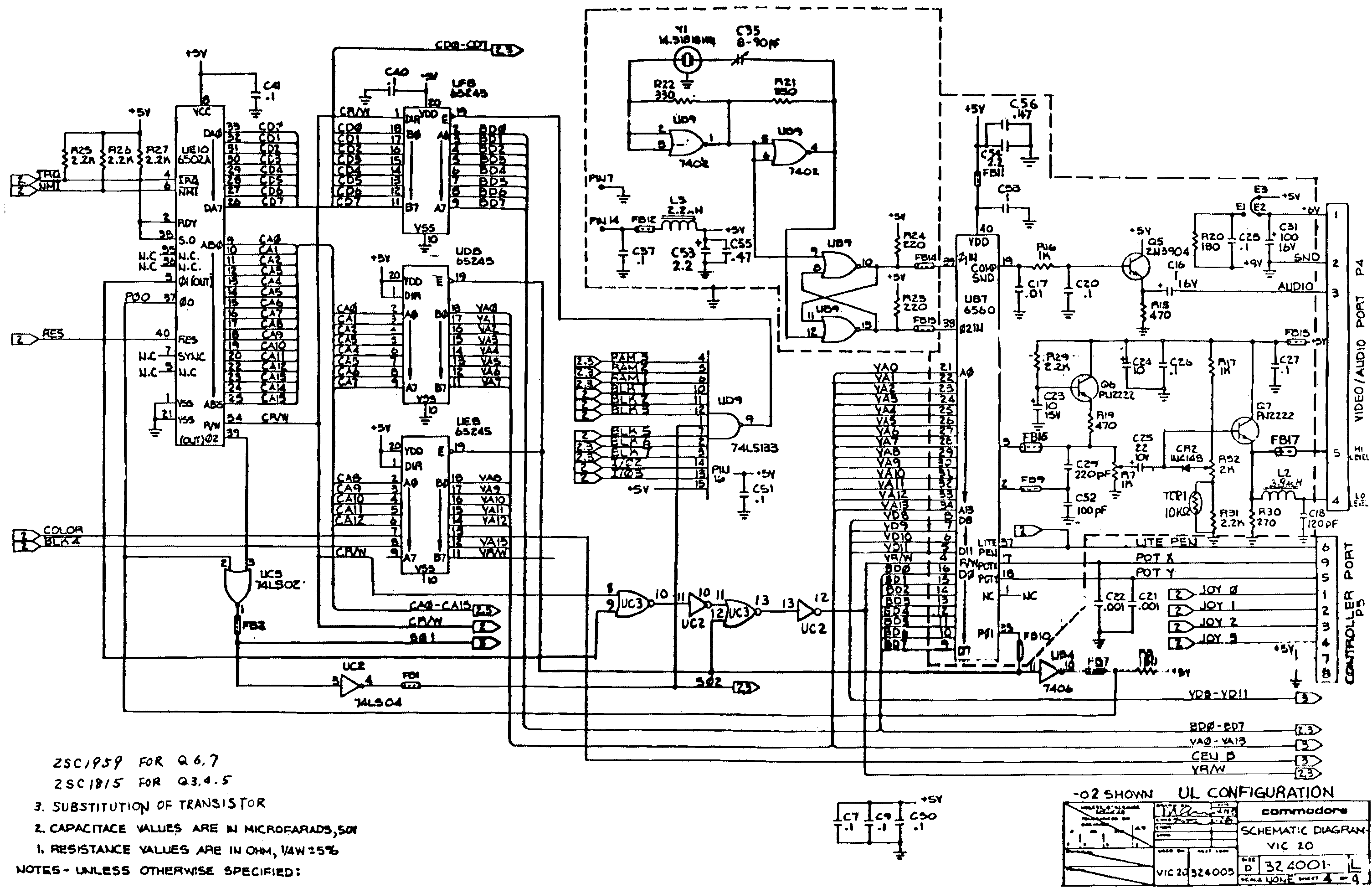
On the N board a 74LS02 (UC3) is used for the 6502 clock and some other things, yet a 7402 (UB9, which I assume is the chip you're talking about) for the 6560's 4.433618 MHz clock. Given that it would be easier to use the same chip for both, I would assume that there's a good reason they didn't, which may support the timing issue theory.
As far as the 74LS02, there could be timing issues there, since it has slightly different specs from the 7402.
I found a couple of VIC-20 schematics here for E ("older") and N ("newer") versions of the VIC-20. I assume that yours is the N version, since that seems to be the only one with a 7402 (the E version uses a 74S02), but you'll stand a better chance of getting help if you can point people at schematics you've confirmed are for your system and identify which chip you're talking about.
On the N board a 74LS02 (UC3) is used for the 6502 clock and some other things, yet a 7402 (UB9, which I assume is the chip you're talking about) for the 6560's 4.433618 MHz clock. Given that it would be easier to use the same chip for both, I would assume that there's a good reason they didn't, which may support the timing issue theory.
Curt J. Sampson - github.com/0cjs
Re: VIC 20 Clock circuit
There's a fairly good chance that a 74HCT02 would work as a replacement.
The original TTL and LS families had similar propagation delays, but LS reduced power consumption by simultaneously increasing input impedance and reducing output drive - the latter generally proving more relevant to system design, especially in a heavily loaded signal like a clock buffer. The HCT family has much better output drive than LS, especially upward, and retains very similar propagation delays to original TTL.
It looks like there are some trimming capacitors in the oscillator circuit. It's conceivable that these would need to be adjusted when changing the logic family driving them. If you have good oscillation, however, you probably don't need to worry about it.
The original TTL and LS families had similar propagation delays, but LS reduced power consumption by simultaneously increasing input impedance and reducing output drive - the latter generally proving more relevant to system design, especially in a heavily loaded signal like a clock buffer. The HCT family has much better output drive than LS, especially upward, and retains very similar propagation delays to original TTL.
It looks like there are some trimming capacitors in the oscillator circuit. It's conceivable that these would need to be adjusted when changing the logic family driving them. If you have good oscillation, however, you probably don't need to worry about it.
- floobydust
- Posts: 1394
- Joined: 05 Mar 2013
Re: VIC 20 Clock circuit
I've socketed and re-chipped multiple Vic-20 machines over the years. The 7402 that drives the 6560 needs to have higher voltage swing outputs... i.e., a 74HC02 will not work, albeit a 74HCT02 sorta works (dropouts happen). I suggest either a 7402 or 74F02, which both work fine.
Also, the trimmer cap in the oscillator section will need to be adjusted if you swap out the chip. It's frequency is divided by 4 to derive the colorburst frequency (3.579545 MHz). The simplest way to adjust it is having a color monitor attached directly to the video output (bypassing the RF modulator). You'll find that the color border (CYAN by default) will cycle a bit and then you lose color and possibly sync (monitor dependent). FInd the high/low ends and center the trimmer... then let it warm up for a good hour and repeat the adjustment.
Also, the trimmer cap in the oscillator section will need to be adjusted if you swap out the chip. It's frequency is divided by 4 to derive the colorburst frequency (3.579545 MHz). The simplest way to adjust it is having a color monitor attached directly to the video output (bypassing the RF modulator). You'll find that the color border (CYAN by default) will cycle a bit and then you lose color and possibly sync (monitor dependent). FInd the high/low ends and center the trimmer... then let it warm up for a good hour and repeat the adjustment.
Regards, KM
https://github.com/floobydust
https://github.com/floobydust
- GARTHWILSON
- Forum Moderator
- Posts: 8773
- Joined: 30 Aug 2002
- Location: Southern California
- Contact:
Re: VIC 20 Clock circuit
floobydust wrote:
I've socketed and re-chipped multiple Vic-20 machines over the years. The 7402 that drives the 6560 needs to have higher voltage swing outputs... i.e., a 74HC02 will not work, albeit a 74HCT02 sorta works (dropouts happen). I suggest either a 7402 or 74F02, which both work fine.
http://WilsonMinesCo.com/ lots of 6502 resources
The "second front page" is http://wilsonminesco.com/links.html .
What's an additional VIA among friends, anyhow?
The "second front page" is http://wilsonminesco.com/links.html .
What's an additional VIA among friends, anyhow?
- floobydust
- Posts: 1394
- Joined: 05 Mar 2013
Re: VIC 20 Clock circuit
GARTHWILSON wrote:
floobydust wrote:
I've socketed and re-chipped multiple Vic-20 machines over the years. The 7402 that drives the 6560 needs to have higher voltage swing outputs... i.e., a 74HC02 will not work, albeit a 74HCT02 sorta works (dropouts happen). I suggest either a 7402 or 74F02, which both work fine.
1- (two 7404 inverters and two 7402 gates)
2- four 7402 gates with the output drivers cross-connected
3- four 7402 gates with the output drivers having both inputs tied together (acting as an inverter)
I suspect Commodore had some issues as well with the various chips they sourced which required the circuit changes. I would also note that the 7402 under the metal shield was always soldered in, while the 6560 was socketed... at least on all the ones I've managed to have open.
Regards, KM
https://github.com/floobydust
https://github.com/floobydust
Re: VIC 20 Clock circuit
Curious. If timing is that critical and the 74HCT kinda works, then perhaps a 74ACT or 74AHCT version would be better. They have similar input and output voltage characteristics to 74HCT, but a much shorter Tpd. The 74ACT also has a faster slew rate on output.
Re: VIC 20 Clock circuit
Chromatix wrote:
There's a fairly good chance that a 74HCT02 would work as a replacement.
The original TTL and LS families had similar propagation delays, but LS reduced power consumption by simultaneously increasing input impedance and reducing output drive - the latter generally proving more relevant to system design, especially in a heavily loaded signal like a clock buffer. The HCT family has much better output drive than LS, especially upward, and retains very similar propagation delays to original TTL.
It looks like there are some trimming capacitors in the oscillator circuit. It's conceivable that these would need to be adjusted when changing the logic family driving them. If you have good oscillation, however, you probably don't need to worry about it.
The original TTL and LS families had similar propagation delays, but LS reduced power consumption by simultaneously increasing input impedance and reducing output drive - the latter generally proving more relevant to system design, especially in a heavily loaded signal like a clock buffer. The HCT family has much better output drive than LS, especially upward, and retains very similar propagation delays to original TTL.
It looks like there are some trimming capacitors in the oscillator circuit. It's conceivable that these would need to be adjusted when changing the logic family driving them. If you have good oscillation, however, you probably don't need to worry about it.
- floobydust
- Posts: 1394
- Joined: 05 Mar 2013
Re: VIC 20 Clock circuit
Per Vic-20 schematics, there are already pull-up resistors on the gate outputs driving the 6560. I've seen 220 ohm used as well as 560 ohm. As per my earlier post, I suggest using either a 7402 or 74F02 and adjust the trimmer capacitor.
Regards, KM
https://github.com/floobydust
https://github.com/floobydust
Re: VIC 20 Clock circuit
Curious Marc did a series recently fixing six different HP 98035 clock modules. In one of them he found that the new inverter chip he installed for the clock generation did not work and traced it down to the different analog specifications/characteristics of different chips. He wound up changing the value of a feedback resistor to a lower resistance which took care of the issue. He goes over it about the 20 minutes mark in this video.
https://www.youtube.com/watch?v=Jh2sLavN2_o
https://www.youtube.com/watch?v=Jh2sLavN2_o
Re: VIC 20 Clock circuit
So there are four things here:
I’m not surprised that Commodore had trouble with this design. That’s quite a list of requirements for one chip...
It would have been easier with trying replacements if they had kept the split between the oscillator function and the drive to the 6560 between different chips on all versions so that we could better match the requirements.
Certainly modern 74 series CMOS chips outputs should have little problem producing a rail to rail output suitable for the 6560. But will need the resistors in the oscillator changing so that the oscillation is at the correct frequency and start up and running is reliable.
Pull-up resistors help a little, but keep in mind at that frequency, their value has to be be low. Otherwise the time that they take to charge up the stray and input stage capacitance will be too long. At the same time, the value can’t be so low that the output stage can’t drive the line low enough, and fast enough...
Definitely use of a good two channel ‘scope is strongly recommended here, so that you can see what’s working and what’s not.
Mark
- For the crystal oscillator, any different technology 74xxx02 chip will likely require changes to the resistors, as the different technologies all have different analogue characteristics (including different input and output stages),
- The oscillator is running at a fairly high frequency (this type of oscillator gets more tricky to get to be reliable as the wanted oscillator frequency is increased),
- The 6560 appears to need rail to rail signals on its clock input pins. So forget using 74LS02 or other types with similar outputs, as they cannot drive their outputs high enough,
- The two clock signals can’t overlap.
I’m not surprised that Commodore had trouble with this design. That’s quite a list of requirements for one chip...
It would have been easier with trying replacements if they had kept the split between the oscillator function and the drive to the 6560 between different chips on all versions so that we could better match the requirements.
Certainly modern 74 series CMOS chips outputs should have little problem producing a rail to rail output suitable for the 6560. But will need the resistors in the oscillator changing so that the oscillation is at the correct frequency and start up and running is reliable.
Pull-up resistors help a little, but keep in mind at that frequency, their value has to be be low. Otherwise the time that they take to charge up the stray and input stage capacitance will be too long. At the same time, the value can’t be so low that the output stage can’t drive the line low enough, and fast enough...
Definitely use of a good two channel ‘scope is strongly recommended here, so that you can see what’s working and what’s not.
Mark