Contemporany 6502 compatible hardware (chips, actually).
Re: Contemporany 6502 compatible hardware (chips, actually).
The block-move feature of the VLSI chip is very interesting. It's basically what I've approximated with the massive 74HC-based copy controller card on my game console project, not to mention the similarly-sized composite signal generator card that attaches to it...
How available are those Yamaha chips, though? Are they being made today? I can't seem to find a store page for them. If the VLSI chip can shrink the video part of my system, the audio synth part would be the next thing to miniaturize.
How available are those Yamaha chips, though? Are they being made today? I can't seem to find a store page for them. If the VLSI chip can shrink the video part of my system, the audio synth part would be the next thing to miniaturize.
Re: Contemporany 6502 compatible hardware (chips, actually).
Agumander wrote:
The block-move feature of the VLSI chip is very interesting. It's basically what I've approximated with the massive 74HC-based copy controller card on my game console project, not to mention the similarly-sized composite signal generator card that attaches to it...
Agumander wrote:
How available are those Yamaha chips, though? Are they being made today? I can't seem to find a store page for them. If the VLSI chip can shrink the video part of my system, the audio synth part would be the next thing to miniaturize.
And this is how it sounds: https://www.youtube.com/watch?v=D1ZzOOMt9sk
Re: Contemporany 6502 compatible hardware (chips, actually).
Bridgetek makes a cheap ($4.50) video chip with 18-bit RGB out and a built in frame buffer. It is SPI only thought.
Any good threads or tutorials on hooking up SPI peripherals to a 65xx system?
Any good threads or tutorials on hooking up SPI peripherals to a 65xx system?
Re: Contemporany 6502 compatible hardware (chips, actually).
rpiguy2 wrote:
Any good threads or tutorials on hooking up SPI peripherals to a 65xx system?
tokafondo wrote:
There is a development board for the YMF825 chip: https://international.switch-science.com/catalog/3399/
And this is how it sounds: https://www.youtube.com/watch?v=D1ZzOOMt9sk
And this is how it sounds: https://www.youtube.com/watch?v=D1ZzOOMt9sk
Another idea that occurs to me is that audio computation can be done a lot more slowly than video, so replacing my jelly-bean logic square wave generators with a second 6502 and a DAC is an option.
Re: Contemporany 6502 compatible hardware (chips, actually).
tokafondo wrote:
But sadly, the sprite engine only work with a 16 bit data bus.
Oops, did someone mention 6522? That's another way to get an extra 8 bits (or all 16 of the bits), and in this case they could both read and write.
-- Jeff
In 1988 my 65C02 got six new registers and 44 new full-speed instructions!
https://laughtonelectronics.com/Arcana/ ... mmary.html
https://laughtonelectronics.com/Arcana/ ... mmary.html
Re: Contemporany 6502 compatible hardware (chips, actually).
Agumander wrote:
rpiguy2 wrote:
Any good threads or tutorials on hooking up SPI peripherals to a 65xx system?
Re: Contemporany 6502 compatible hardware (chips, actually).
Dr Jefyll wrote:
tokafondo wrote:
But sadly, the sprite engine only work with a 16 bit data bus.
Oops, did someone mention 6522? That's another way to get an extra 8 bits (or all 16 of the bits), and in this case they could both read and write.
-- Jeff
Re: Contemporany 6502 compatible hardware (chips, actually).
tokafondo wrote:
So, for every word of data the video chip would need, there whould be two write instructions, wouldn't it?
Quote:
If that is the case, would it match the timing needed by the chip?
If you're seriously interested, then show us a datasheet for this EPSON chip with the sprites. Then we can decide how hard or easy things will be.
In 1988 my 65C02 got six new registers and 44 new full-speed instructions!
https://laughtonelectronics.com/Arcana/ ... mmary.html
https://laughtonelectronics.com/Arcana/ ... mmary.html
Re: Contemporany 6502 compatible hardware (chips, actually).
Dr Jefyll wrote:
tokafondo wrote:
So, for every word of data the video chip would need, there whould be two write instructions, wouldn't it?
Quote:
If that is the case, would it match the timing needed by the chip?
If you're seriously interested, then show us a datasheet for this EPSON chip with the sprites. Then we can decide how hard or easy things will be.
You would be also taking a peek at the "Data formats" section, because I understood from there that for every pixel shown, a lot of writes should me made...
I chose the S1D13781 for my project, btw...
Re: Contemporany 6502 compatible hardware (chips, actually).
tokafondo wrote:
Please, take a look.
- "The S1D13513 is a highly integrated Display Controller capable of outputting to LCD or
TV. With the flexibility of an external SDRAM memory interface, this low cost, low
power, device supports a wide range of CPUs [...]
The S1D13513 features both Sprite and 2D BitBLT engines designed to reduce the load on
the Host, while increasing the performance of graphics intensive operations. Additionally,
the S1D13513 offers such features as multiple windows, alpha blending, gamma
correction, and mirror/rotation function which allow user configurability of various images
on the Main/PIP1/PIP2 displays. [...]
• IO operates at 3.3 volts ± 0.3V
• Core operates at 1.8 volts ± 0.15V"
I think a 65xx CPU plus a 74xx646 etc etc could be made to work with this chip (despite its 16-bit bus) but I haven't taken a close look because that's only one piece of the puzzle. In order to use this chip, somebody will need to make a pretty big commitment. If there's someone who truly is serious then I'd be willing to offer further advice.
Quote:
You would be also taking a peek at the "Data formats" section, because I understood from there that for every pixel shown, a lot of writes should me made...
Quote:
I chose the S1D13781 for my project, btw...
- "The S1D13781 is a simple LCD controller with an embedded 384K byte display buffer. The S1D13781 supports both 8/16-bit direct/indirect CPU interfaces and a SPI CPU interface."
Would you like to tell us about your project? If it's 65xx-related, then you can post here. Otherwise, consider posting on our sister forum, anycpu.org.
-- Jeff
In 1988 my 65C02 got six new registers and 44 new full-speed instructions!
https://laughtonelectronics.com/Arcana/ ... mmary.html
https://laughtonelectronics.com/Arcana/ ... mmary.html
Re: Contemporany 6502 compatible hardware (chips, actually).
Dr Jefyll wrote:
Wow, quite the chip! And these are only some of the features. But AIUI you'll need to attach it to external SDRAM, so it's NOT a self-contained solution. Notice, too, the requirement for two power supplies. 
EPSON does also have the S1D13506 chip, that's still on production but being phased out. If needs external EDO or FP RAM, and features a two layer design with a somewhat advanced BitBLT engine. But can only be managed with a 16 bit wide data bus.
Dr Jefyll wrote:
OK, this one's a LOT more manageable. On-chip display buffer, and choice or 8-bit, 16-bit or SPI interface...
But I didn't see any mention of sprites.
Dr Jefyll wrote:
Would you like to tell us about your project? If it's 65xx-related, then you can post here. Otherwise, consider posting on our sister forum, anycpu.org.
-- Jeff
-- Jeff
Re: Contemporany 6502 compatible hardware (chips, actually).
tokafondo wrote:
Dr Jefyll wrote:
Wow, quite the chip! And these are only some of the features. But AIUI you'll need to attach it to external SDRAM, so it's NOT a self-contained solution. Notice, too, the requirement for two power supplies. 
I posted about my project in the Newbies forum. But as I'm still waiting for parts, I've not been able to advance further, so my efforts are now on research and learn.
I am not sure if you noticed but the video out is designed specifically to drive an LCD panel, so there isn’t one pin for R, one pin for G, and one pin for B. If you are running in 24 bit color you use 24 pins (8:8:8) plus 1 for hsync, 1 for vsync, and would likely have to run the 24 bits through a DAC to get a video signal. I did not see a DAC anywhere in the on-chip block diagrams.
Color depth determines how many pins are used, so if you intend to support multiple color depths then whatever output hardware you bolt on to this it will need to be able to work with the different pin out configurations for each color depth.
I also looked at the Yamaha chips and only one has analog RGB out, but it requires a 16-bit interface to the CPU.
Re: Contemporany 6502 compatible hardware (chips, actually).
rpiguy2 wrote:
tokafondo wrote:
Dr Jefyll wrote:
Wow, quite the chip! And these are only some of the features. But AIUI you'll need to attach it to external SDRAM, so it's NOT a self-contained solution. Notice, too, the requirement for two power supplies. 
I posted about my project in the Newbies forum. But as I'm still waiting for parts, I've not been able to advance further, so my efforts are now on research and learn.
I am not sure if you noticed but the video out is designed specifically to drive an LCD panel, so there isn’t one pin for R, one pin for G, and one pin for B. If you are running in 24 bit color you use 24 pins (8:8:8) plus 1 for hsync, 1 for vsync, and would likely have to run the 24 bits through a DAC to get a video signal. I did not see a DAC anywhere in the on-chip block diagrams.
Color depth determines how many pins are used, so if you intend to support multiple color depths then whatever output hardware you bolt on to this it will need to be able to work with the different pin out configurations for each color depth.
And I believe that many experienced programmers would want to create games for it, because of the fetures of the EPSON chip I chose: not hardware sprites but enough hardware features to make easy to render them by software, and have fast scroll by just changing registers in the graphic chip, it taking care of the rest.
Re: Contemporany 6502 compatible hardware (chips, actually).
tokafondo wrote:
rpiguy2 wrote:
tokafondo wrote:
Dr Jefyll wrote:
Wow, quite the chip! And these are only some of the features. But AIUI you'll need to attach it to external SDRAM, so it's NOT a self-contained solution. Notice, too, the requirement for two power supplies. 
I posted about my project in the Newbies forum. But as I'm still waiting for parts, I've not been able to advance further, so my efforts are now on research and learn.
I am not sure if you noticed but the video out is designed specifically to drive an LCD panel, so there isn’t one pin for R, one pin for G, and one pin for B. If you are running in 24 bit color you use 24 pins (8:8:8) plus 1 for hsync, 1 for vsync, and would likely have to run the 24 bits through a DAC to get a video signal. I did not see a DAC anywhere in the on-chip block diagrams.
Color depth determines how many pins are used, so if you intend to support multiple color depths then whatever output hardware you bolt on to this it will need to be able to work with the different pin out configurations for each color depth.
And I believe that many experienced programmers would want to create games for it, because of the fetures of the EPSON chip I chose: not hardware sprites but enough hardware features to make easy to render them by software, and have fast scroll by just changing registers in the graphic chip, it taking care of the rest.
Re: Contemporany 6502 compatible hardware (chips, actually).
tokafondo wrote:
EPSON does also have the S1D13506 chip, that's still on production but being phased out. If needs external EDO or FP RAM, and features a two layer design with a somewhat advanced BitBLT engine. But can only be managed with a 16 bit wide data bus.
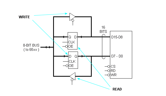
The elements I've shown could be built as
- a pair of 74xx646 registered transceivers (two 24-pin chips), or
- two each of 574 and 541 (four 20-pin chips), or
- a PLD could hold them.
There will also need to be some glue to wiggle the various control lines. The details aren't immensely intricate. Here's the behavior I had in mind. For performance reasons, I chose to exploit the '816 or '265's ability to generate both bus cycles with a single instruction (ie, with the m bit in the P register =0).
- Read:
cycle 1: 16 bit read of IO device. Lobyte straight to 65xx bus; Hibyte to temp reg.
cycle 2: temp reg (the stored Hibyte) to 65xx bus.
Write:
cycle 1: 65xx bus (the Lobyte) to temp reg.
cycle 2: Temp reg to IO device. 65xx bus (the Hibyte) to IO device. 16 bit write to IO device.
-- Jeff
In 1988 my 65C02 got six new registers and 44 new full-speed instructions!
https://laughtonelectronics.com/Arcana/ ... mmary.html
https://laughtonelectronics.com/Arcana/ ... mmary.html