V9958 Video for 6502 SBC
V9958 Video for 6502 SBC
hi all,
Since completing my SBC based on the 65C02. I've now starting work to design an Video adapter using the V9958 (as used in the MSX2 computer). I've done some web searches and it appear no one that I can find using V9958 with 6502.
My plan is to have V9958 using simple 1 or 2 SRAM chip with some latches to interface to the V9958 DRam interface. Any help or comment will be very much welcome.
As a start I've designed and produced a breakout board so that I can use 0.1" pinout configuration. I've attached the Gerber file in case if anyone else would like to get the PCB make.
eddie
Since completing my SBC based on the 65C02. I've now starting work to design an Video adapter using the V9958 (as used in the MSX2 computer). I've done some web searches and it appear no one that I can find using V9958 with 6502.
My plan is to have V9958 using simple 1 or 2 SRAM chip with some latches to interface to the V9958 DRam interface. Any help or comment will be very much welcome.
As a start I've designed and produced a breakout board so that I can use 0.1" pinout configuration. I've attached the Gerber file in case if anyone else would like to get the PCB make.
eddie
- Attachments
-
- Gerber_v9958 breakout_20191229234542.zip
- (9.57 KiB) Downloaded 86 times
Re: V9958 Video for 6502 SBC
I've been collecting documents and schematics based around the TMS9918 for a while now.
I know the 9938 and 9958 are newer but still fall into the same family.
If you come up with some schematics, I'd sure love to put them in my repo if you wouldn't mind.
There is a schematic that might help in my repo that shows how to use SRAM with the 9918.
Good luck!
https://github.com/cbmeeks/TMS9918
I know the 9938 and 9958 are newer but still fall into the same family.
If you come up with some schematics, I'd sure love to put them in my repo if you wouldn't mind.
There is a schematic that might help in my repo that shows how to use SRAM with the 9918.
Good luck!
https://github.com/cbmeeks/TMS9918
Cat; the other white meat.
Re: V9958 Video for 6502 SBC
cbmeeks wrote:
I've been collecting documents and schematics based around the TMS9918 for a while now.
I know the 9938 and 9958 are newer but still fall into the same family.
If you come up with some schematics, I'd sure love to put them in my repo if you wouldn't mind.
There is a schematic that might help in my repo that shows how to use SRAM with the 9918.
Good luck!
https://github.com/cbmeeks/TMS9918
I know the 9938 and 9958 are newer but still fall into the same family.
If you come up with some schematics, I'd sure love to put them in my repo if you wouldn't mind.
There is a schematic that might help in my repo that shows how to use SRAM with the 9918.
Good luck!
https://github.com/cbmeeks/TMS9918
Re: V9958 Video for 6502 SBC
hi all,
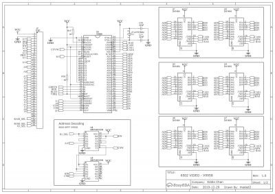
I've done more research and have put a design together using DRAM for now (planned to use SRAM in the future). The design will have 192KB vram and a VGA output.
Any comment or advise will be most welcome.
thanks,
eddie
I've done more research and have put a design together using DRAM for now (planned to use SRAM in the future). The design will have 192KB vram and a VGA output.
Any comment or advise will be most welcome.
thanks,
eddie
- Attachments
-
- Schematic_video_20200209132432.pdf
- (200.83 KiB) Downloaded 217 times
- BigDumbDinosaur
- Posts: 9428
- Joined: 28 May 2009
- Location: Midwestern USA (JB Pritzker’s dystopia)
- Contact:
Re: V9958 Video for 6502 SBC
maded2 wrote:
hi all,
I've done more research and have put a design together using DRAM for now (planned to use SRAM in the future). The design will have 192KB vram and a VGA output.
Any comment or advise will be most welcome.
thanks,
eddie
I've done more research and have put a design together using DRAM for now (planned to use SRAM in the future). The design will have 192KB vram and a VGA output.
Any comment or advise will be most welcome.
thanks,
eddie
x86? We ain't got no x86. We don't NEED no stinking x86!
Re: V9958 Video for 6502 SBC
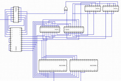
Yes, most of the markings are blue. I've attached a converted version, though I'm not sure how well a two-page document works as a PNG.
You really should find yourself a way to display things as monochrome. Blue should turn out as a dark grey.
You really should find yourself a way to display things as monochrome. Blue should turn out as a dark grey.
Re: V9958 Video for 6502 SBC
hi all,
I've attached black & white version of the the pdf document for better viewing.
thanks,
eddie
I've attached black & white version of the the pdf document for better viewing.
thanks,
eddie
- Attachments
-
- output.pdf
- (74.64 KiB) Downloaded 160 times
Re: V9958 Video for 6502 SBC
Chromatix wrote:
Yes, most of the markings are blue. I've attached a converted version, though I'm not sure how well a two-page document works as a PNG.
You really should find yourself a way to display things as monochrome. Blue should turn out as a dark grey.
You really should find yourself a way to display things as monochrome. Blue should turn out as a dark grey.
The different bright colours can be distracting, and if you try to print the diagram out, you either need a colour printer (with all the cartridges operational). Or printer driver for your monochrome printer that is actually good at producing sensible gray shades (not all are).
You just can’t beat a well laid out schematic diagram that is clear, no overlapping symbols or text, uncluttered, easy to understand, puts blocks that are relevant next to one another and is easy on the eye. There should be no need for colour. My feeling is, if you need colour to ‘make it work’, then your schematic diagram is poor.
The only time that I deliberately set out to use colour, is when I want to show existing circuitry and modifications on the same diagram (for example when documenting wires added to an existing PCB to overcome a mistake in the track layout or when changing the design for any other reason).
Sometimes I use colour if there is something that is really important that needs highlighting and bold text alone is not enough (high voltages for example).
Not all, but often if you look at the hand drawn schematic diagrams from the past, the person that drafted it took pride in making the diagram clear, logical and easy to read.
Far too often nowadays, a schematic is nothing more than a bunch of rectangles with text listed around the sides. Often much time can be wasted hunting for the ‘other end’ of a signal as you cast your eye around looking for a match. It’s fair enough if a signal line is part of a bus (address bus, data bus etc.) to put them in a group.
But for independent signal lines, or control lines, I much prefer an actual line to follow. Or alternatively if there are only two nodes, for the text to indicate the source or destination of the signal (at each end).
It’s a similar story when choosing whether to depict a chip as a rectangular box, or a symbol that enables the reader to more easily recognise the function. So I prefer the American logic symbols for example.
</rant ends>
Mark
Re: V9958 Video for 6502 SBC
I try to strike a happy medium between "mess of wires" style and "netlist" style in my diagrams.
Using the bus tool in KiCad helps a great deal, as otherwise I potentially have to route 24 address and data lines to multiple devices sharing the main CPU bus. The single bus line (or alternatively, one for address, another one for data) is sufficient to lead the eye in the right direction. It also makes sense to bundle select and control lines into a bus, if they are logically grouped, but see below.
Since that takes care of the majority of global signals in the system, a relatively small number of labels are then relatively easy to follow. There are both input and output style labels, giving a visual distinction between circuits where a signal is produced and consumed. I often use these for power, clock, interrupt, R/W, /OE and /WE lines which have to go pretty much everywhere.
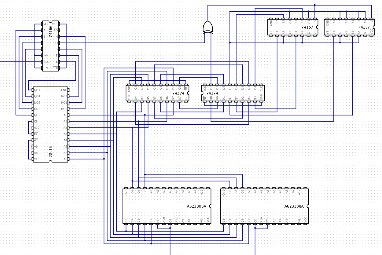
The distinction between logical and physical pin layout can be debated. To illustrate one extreme, why don't you try to figure out, at a glance, what the attached circuit (sketched the other day in Digital) is supposed to do?
Using the bus tool in KiCad helps a great deal, as otherwise I potentially have to route 24 address and data lines to multiple devices sharing the main CPU bus. The single bus line (or alternatively, one for address, another one for data) is sufficient to lead the eye in the right direction. It also makes sense to bundle select and control lines into a bus, if they are logically grouped, but see below.
Since that takes care of the majority of global signals in the system, a relatively small number of labels are then relatively easy to follow. There are both input and output style labels, giving a visual distinction between circuits where a signal is produced and consumed. I often use these for power, clock, interrupt, R/W, /OE and /WE lines which have to go pretty much everywhere.
The distinction between logical and physical pin layout can be debated. To illustrate one extreme, why don't you try to figure out, at a glance, what the attached circuit (sketched the other day in Digital) is supposed to do?
- BigDumbDinosaur
- Posts: 9428
- Joined: 28 May 2009
- Location: Midwestern USA (JB Pritzker’s dystopia)
- Contact:
Re: V9958 Video for 6502 SBC
Chromatix wrote:
To illustrate one extreme, why don't you try to figure out, at a glance, what the attached circuit (sketched the other day in Digital) is supposed to do?
x86? We ain't got no x86. We don't NEED no stinking x86!
Re: V9958 Video for 6502 SBC
The point is, the diagram shows the various chips as DIP packages, labelled only with their part numbers. Unless you're a walking parts catalogue, you won't know which ones are RAM, ROM, shift registers, latches, or multiplexers - the only immediately identifiable component is the XOR gate, which is meaningless without context. Maybe you could guess some of them by looking at the pin labels, but that's a very inexact science. And because of the physical pin layout, routing the signals is especially awkward visually.
KiCad's symbols are usually more logically oriented, though they're still based on a particular physical product. This means you can efficiently use it to design a logic system, rather than merely simulating an existing one. Unfortunately, it then lacks the simulation part entirely, so it's much harder to check your work without actually building it.
KiCad's symbols are usually more logically oriented, though they're still based on a particular physical product. This means you can efficiently use it to design a logic system, rather than merely simulating an existing one. Unfortunately, it then lacks the simulation part entirely, so it's much harder to check your work without actually building it.
Re: V9958 Video for 6502 SBC
maded2 wrote:
hi all,
I've attached black & white version of the the pdf document for better viewing.
thanks,
eddie
I've attached black & white version of the the pdf document for better viewing.
thanks,
eddie
I'm most likely mistaken though, but willing to learn.
Bill
Re: V9958 Video for 6502 SBC
BillO wrote:
maded2 wrote:
hi all,
I've attached black & white version of the the pdf document for better viewing.
thanks,
eddie
I've attached black & white version of the the pdf document for better viewing.
thanks,
eddie
I'm most likely mistaken though, but willing to learn.
As far as I've worked out from my research, V9958 required minimum of 128kX8 DRam (maximum 192kX8) to work. So currently I will use 6 x 64kX4 Dram. As far as I can tell it uses regular DRam only.
thanks,
eddie
Re: V9958 Video for 6502 SBC
maded2 wrote:
hi all,
Since completing my SBC based on the 65C02. I've now starting work to design an Video adapter using the V9958 (as used in the MSX2 computer). I've done some web searches and it appear no one that I can find using V9958 with 6502.
My plan is to have V9958 using simple 1 or 2 SRAM chip with some latches to interface to the V9958 DRam interface. Any help or comment will be very much welcome.
As a start I've designed and produced a breakout board so that I can use 0.1" pinout configuration. I've attached the Gerber file in case if anyone else would like to get the PCB make.
eddie
Since completing my SBC based on the 65C02. I've now starting work to design an Video adapter using the V9958 (as used in the MSX2 computer). I've done some web searches and it appear no one that I can find using V9958 with 6502.
My plan is to have V9958 using simple 1 or 2 SRAM chip with some latches to interface to the V9958 DRam interface. Any help or comment will be very much welcome.
As a start I've designed and produced a breakout board so that I can use 0.1" pinout configuration. I've attached the Gerber file in case if anyone else would like to get the PCB make.
eddie
http://www.6502.org/users/sjgray/projec ... index.html
Christian Forstrueter has successfully created a v9958 board for Commodore b-series (6509 cpu).
You can find info on my cbm2 Facebook group.
- BigDumbDinosaur
- Posts: 9428
- Joined: 28 May 2009
- Location: Midwestern USA (JB Pritzker’s dystopia)
- Contact:
Re: V9958 Video for 6502 SBC
sjgray wrote:
I designed some v9958 cartridges for the c64 and vic, and even made a run of pcbs, but they had errors and i just let the project slide. Later i found there is a issue with read-modify-write opcodes on the 6502 that interfere with some of the v9958 functions so i need to do a redesign of my boards.
http://www.6502.org/users/sjgray/projec ... index.html
http://www.6502.org/users/sjgray/projec ... index.html
Quote:
Christian Forstrueter has successfully created a v9958 board for Commodore b-series (6509 cpu). You can find info on my cbm2 Facebook group.
x86? We ain't got no x86. We don't NEED no stinking x86!