Cheers!
74HCT6526 - A MOS6526 implementation with 74xx ICs
-
daniMolina
- Posts: 214
- Joined: 25 Jan 2019
- Location: Madrid, Spain
Re: 74HCT6526 - A MOS6526 implementation with 74xx ICs
ttlworks wrote:
Maybe they sometimes just had not enough time at hands for writing documentation.
ttlworks wrote:
If you do hardware design for a living, you are used to datasheets that are not 100% correct and\or leave out some "subtle" details, sorry.
ttlworks wrote:
the first revision of new hardware always tends to end up in the trash can
ttlworks wrote:
had problems to get hands on down_counters
ttlworks wrote:
You got to be creative.
Cheers!
Re: 74HCT6526 - A MOS6526 implementation with 74xx ICs
daniMolina wrote:
I think we can be pretty sure about that. I've seen the talks Bill Herd gives, and I can only be amazed at what they did accomplish.
daniMolina wrote:
I do software/database design for a living. We are much much much worse 
//There _has_ to be a reason, why them binaries are that big nowaday.
daniMolina wrote:
to get to the inner workings of the 6526 without being able to inspect the silicon
daniMolina wrote:
I'm using the 74193. Binary, 4 bit, UP/DOWN counter. Cheap ,easy to find (~0.30$ each), and until now, it's doing what I need it to do.
daniMolina wrote:
Unfortunately for me, that usually happens around 3 or 4 AM


Go, Dani, go.
Re: 74HCT6526 - A MOS6526 implementation with 74xx ICs
ttlworks wrote:
BTW: had problems to get hands on down_counters, so for implementing the 6522 timers I just had used 74163 up_counters and inverted the 74163 data inputs and outputs with some 7404 chips to make them look like down_counters to the CPU.
In 1988 my 65C02 got six new registers and 44 new full-speed instructions!
https://laughtonelectronics.com/Arcana/ ... mmary.html
https://laughtonelectronics.com/Arcana/ ... mmary.html
Re: 74HCT6526 - A MOS6526 implementation with 74xx ICs
To quote Garth: "If all you have is a hammer, every problem becomes a nail."
- GARTHWILSON
- Forum Moderator
- Posts: 8773
- Joined: 30 Aug 2002
- Location: Southern California
- Contact:
Re: 74HCT6526 - A MOS6526 implementation with 74xx ICs
ttlworks wrote:
To quote Garth: "If all you have is a hammer, every problem becomes a nail."
http://WilsonMinesCo.com/ lots of 6502 resources
The "second front page" is http://wilsonminesco.com/links.html .
What's an additional VIA among friends, anyhow?
The "second front page" is http://wilsonminesco.com/links.html .
What's an additional VIA among friends, anyhow?
-
daniMolina
- Posts: 214
- Joined: 25 Jan 2019
- Location: Madrid, Spain
Re: 74HCT6526 - A MOS6526 implementation with 74xx ICs
ttlworks wrote:
To quote Garth: "If all you have is a hammer, every problem becomes a nail."
Here they are, CREG and TIMERS, first try at second iteration
Highlighted items are input/output from each unit. Even though CREG and TIMERS are very interconnected, I've chosen to make them separate units in my design, to reflect more closely the Block Diagram in the MOS6526 datasheet.
I'm pretty sure I'll need some NOT gates at some places. As the Clear/Set inputs are, of course, active low, and I don't think that's built into Wolfgang implementation.
I'm implementing it now into a simulator to verify the design... the only bad news I have (for myself, that is) is that even though I've planned to build CREGA, CREGB, TIMERA and TIMERB into a single board, I don't think that will be possible now. At least, good design (or luck?) was on my side, with the buses I've put into my boards, this won't be a problem. Board1 for CREGA and TIMERA, Board2 for CREGB and TIMERB. Adding some jumpers should allow making the two boards identical.
ttlworks wrote:
There are microscopic pictures of the 6526 silicon, but polygonizing them or extracting schematics won't be fun.
I tried this... with a 7404 die. So far, the process is not clicking into my mind... maybe another time
Cheers!
Re: 74HCT6526 - A MOS6526 implementation with 74xx ICs
Ken Shirriff's blog has a number of posts that go into detail on the reverse-engineering process. Lots of pictures showing how various types of transistor work, what they look like on a chip, and how they fit together.
For TTL, "Inside the 74181 ALU chip" is a good introduction: http://www.righto.com/2017/01/die-photo ... ering.html
For NMOS, perhaps "Reverse-engineering the Z-80: the silicon for two interesting gates explained": http://www.righto.com/2013/09/understan ... -gate.html
There are plenty of others, all worth reading.
For TTL, "Inside the 74181 ALU chip" is a good introduction: http://www.righto.com/2017/01/die-photo ... ering.html
For NMOS, perhaps "Reverse-engineering the Z-80: the silicon for two interesting gates explained": http://www.righto.com/2013/09/understan ... -gate.html
There are plenty of others, all worth reading.
Re: 74HCT6526 - A MOS6526 implementation with 74xx ICs
Project 54/74 is about reverse engineering TTL chips.
For understanding the basics of NMOS, I would suggest to read introduction to VLSI systems, Mead & Conway 1978.
There is a nice thread in our forum: C64: 8701R2 clock generator chip dissected.
For understanding the basics of NMOS, I would suggest to read introduction to VLSI systems, Mead & Conway 1978.
There is a nice thread in our forum: C64: 8701R2 clock generator chip dissected.
-
daniMolina
- Posts: 214
- Joined: 25 Jan 2019
- Location: Madrid, Spain
Re: 74HCT6526 - A MOS6526 implementation with 74xx ICs
ttlworks wrote:
Project 54/74 is about reverse engineering TTL chips.
For understanding the basics of NMOS, I would suggest to read introduction to VLSI systems, Mead & Conway 1978.
There is a nice thread in our forum: C64: 8701R2 clock generator chip dissected.
For understanding the basics of NMOS, I would suggest to read introduction to VLSI systems, Mead & Conway 1978.
There is a nice thread in our forum: C64: 8701R2 clock generator chip dissected.
Back on topic, my 1541 has arrived today, and it works, which is quite nice, as it was listed as untested. I don't have the time to test it with my 74HCT6526 until next weekend though but I'm really excited about it.
The design for the control registers is complete. Simulations are, I'd say, 100% clock-exact.
Regarding the timers... I'd say 90% complete also. All the weird details I've found :
- When the START control bit is set, it takes two cycles for the timer to begin counting. DONE
- When counting in PHI2 mode, as soon the timer reaches 0, it's reloaded and then it skips one cycle. So, if we load 4 into the latches we would get 4-3-2-1-4-4-3-2-1 and so on. DONE
- The same won't happen if we're counting from other source (CNT, TA, TA*CNT). We would get 4-3-2-1-0-4-3-2-1-0. DONE
I'm still missing the timer pulse/toggle output, but it doesn't seem complicated.
As I mentioned before... timers have ended up more complicated than expected.. so, unless I'm able to optimize them, each timer/creg pair will go into it's own board.
So, plans for next couple of weeks... test using a 1541 with my Board0, and begin real world testing of the creg/timers.
Cheers!
Re: 74HCT6526 - A MOS6526 implementation with 74xx ICs
daniMolina wrote:
All the weird details I've found :
- When the START control bit is set, it takes two cycles for the timer to begin counting. DONE
- When counting in PHI2 mode, as soon the timer reaches 0, it's reloaded and then it skips one cycle. So, if we load 4 into the latches we would get 4-3-2-1-4-4-3-2-1 and so on. DONE
- The same won't happen if we're counting from other source (CNT, TA, TA*CNT). We would get 4-3-2-1-0-4-3-2-1-0. DONE
- When the START control bit is set, it takes two cycles for the timer to begin counting. DONE
- When counting in PHI2 mode, as soon the timer reaches 0, it's reloaded and then it skips one cycle. So, if we load 4 into the latches we would get 4-3-2-1-4-4-3-2-1 and so on. DONE
- The same won't happen if we're counting from other source (CNT, TA, TA*CNT). We would get 4-3-2-1-0-4-3-2-1-0. DONE
C74-6502 Website: https://c74project.com
-
daniMolina
- Posts: 214
- Joined: 25 Jan 2019
- Location: Madrid, Spain
Re: 74HCT6526 - A MOS6526 implementation with 74xx ICs
Drass wrote:
daniMolina wrote:
All the weird details I've found :
- When the START control bit is set, it takes two cycles for the timer to begin counting. DONE
- When counting in PHI2 mode, as soon the timer reaches 0, it's reloaded and then it skips one cycle. So, if we load 4 into the latches we would get 4-3-2-1-4-4-3-2-1 and so on. DONE
- The same won't happen if we're counting from other source (CNT, TA, TA*CNT). We would get 4-3-2-1-0-4-3-2-1-0. DONE
- When the START control bit is set, it takes two cycles for the timer to begin counting. DONE
- When counting in PHI2 mode, as soon the timer reaches 0, it's reloaded and then it skips one cycle. So, if we load 4 into the latches we would get 4-3-2-1-4-4-3-2-1 and so on. DONE
- The same won't happen if we're counting from other source (CNT, TA, TA*CNT). We would get 4-3-2-1-0-4-3-2-1-0. DONE
Anyway, at least, timers are done, 100%. I'll start working this week in a breadboard prototype.
Cheers!
-
daniMolina
- Posts: 214
- Joined: 25 Jan 2019
- Location: Madrid, Spain
Re: 74HCT6526 - A MOS6526 implementation with 74xx ICs
Just a quick update. I managed to steal a few moments today to try the 1541 and it worked. Beautifully, flawlessly. Great! I was able to read, write and format my one and only floppy disk.
However, joy did only last for 30 minutes. I can send and receive commands from the drive, but I just can't read anything. I didn't have the time to put the original 6526 back, and I only happen to have one single floppy... Which I have badly damaged while opening the notch to enable writing to the disk... So
Is the floppy disk broken?
Is it the drive?
Is it my board?
My bets and my wishes are on the floppy disk. Will need to get some more.
Edit: Just an even quicker update. It turns out, my disk was so badly damaged that it couldn't spin. After some surgery, now everything's working again. It's the worst looking floppy disk I've ever seen, but it's working!
Edit2: https://www.youtube.com/watch?v=LzwmSFyUcMI
However, joy did only last for 30 minutes. I can send and receive commands from the drive, but I just can't read anything. I didn't have the time to put the original 6526 back, and I only happen to have one single floppy... Which I have badly damaged while opening the notch to enable writing to the disk... So
Is the floppy disk broken?
Is it the drive?
Is it my board?
My bets and my wishes are on the floppy disk. Will need to get some more.
Edit: Just an even quicker update. It turns out, my disk was so badly damaged that it couldn't spin. After some surgery, now everything's working again. It's the worst looking floppy disk I've ever seen, but it's working!
Edit2: https://www.youtube.com/watch?v=LzwmSFyUcMI
-
daniMolina
- Posts: 214
- Joined: 25 Jan 2019
- Location: Madrid, Spain
Re: 74HCT6526 - A MOS6526 implementation with 74xx ICs
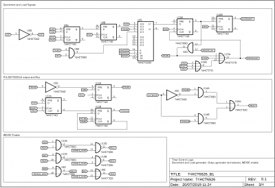
The first iteration of hardware implementation for CREG and TIMERS is ready. With a very busy board (29 ICs in the end), I'll have to make one board for CRA and TIMERA, another for CRB and TIMERB.
As I didn't create a backplane from the beginning, and my buses are already fixed, I can't use the same design for both timers. The differences will be small, but they will be two different designs in the end.
I have started with TIMERB as it is slightly more complex. to make TIMERB I just need to cut down some functions.
Control Register Timer Control Down Counter I guess there's no need to say it but, just in case, nothing's tested so far. Do not try this at home!
As I didn't create a backplane from the beginning, and my buses are already fixed, I can't use the same design for both timers. The differences will be small, but they will be two different designs in the end.
I have started with TIMERB as it is slightly more complex. to make TIMERB I just need to cut down some functions.
Control Register Timer Control Down Counter I guess there's no need to say it but, just in case, nothing's tested so far. Do not try this at home!
-
daniMolina
- Posts: 214
- Joined: 25 Jan 2019
- Location: Madrid, Spain
Re: 74HCT6526 - A MOS6526 implementation with 74xx ICs
daniMolina wrote:
All the weird details I've found :
- When the START control bit is set, it takes two cycles for the timer to begin counting. DONE
- When counting in PHI2 mode, as soon the timer reaches 0, it's reloaded and then it skips one cycle. So, if we load 4 into the latches we would get 4-3-2-1-4-4-3-2-1 and so on. DONE
- The same won't happen if we're counting from another source (CNT, TA, TA*CNT). We would get 4-3-2-1-0-4-3-2-1-0. DONE
- When the START control bit is set, it takes two cycles for the timer to begin counting. DONE
- When counting in PHI2 mode, as soon the timer reaches 0, it's reloaded and then it skips one cycle. So, if we load 4 into the latches we would get 4-3-2-1-4-4-3-2-1 and so on. DONE
- The same won't happen if we're counting from another source (CNT, TA, TA*CNT). We would get 4-3-2-1-0-4-3-2-1-0. DONE
After spending the weekend working on the schematics, today I've built a small prototype. Just a 4 bit timer, and with a lot of stuff missing. It's just the timer, the input section (CNT, PHI2, all the delays) and the Forceload logic. Time to use my logic analyzer!
Counting CNT pulses (They were actually /IO2 pulses... but.... pulses anyway) As you can see, each time a pulse is sent, four cycles later the counter is decremented. When it reaches 0, then it's reloaded and goes back to the latched value (0011) in this case.
Q3, Q4 and DN are internal values... CNT pulses happens actually 2 cycles before Q3, but I just realized I missed it in the capture!
Counting PHI2 pulses, the counter is reloaded immediately when it reaches 0 (So we don't actually see the 0) and then, skips one cycle, repeating the first value.
Maybe I shouldn't say it... but I'm quite proud of myself
Re: 74HCT6526 - A MOS6526 implementation with 74xx ICs
Nice going so far. 
Building something that's supposed to be bug compatible to an existing chip sure is quite a challenge.
//As in: "if it would be easy, more hobbyists would be doing that".
;---
Noticed, that pin 5 of U21..U24 (74HCT192 UP count) are not connected in your schematic.
You really should tie those pins to VCC to prevent timer B from acting strange by accident.
That's because 74HCT inputs have a high impedance, and they may see some "dirt" when left floating.
Switching a neon light in the same room most certainly would do for triggering a floating UP count pin.
;---
IMHO CD4048 isn't a good choice for detecting timer underflow:
CD4048 propagation delay inputs to output at VCC=5V: 300ns typ., 600ns max.
CD4048 propagation delay expand input to outputs at VCC=5V: 190ns typ., 380ns max.
The UNDERFLOW signal generated by the two CD4048 goes through a 74HCT08 (17ns max.) and a 74HCT04 (17ns max.),
So the worst case propagation delay from counter B outputs to U11A 74HCT74 PULSE flipflop input is:
600ns + 380ns + 17ns + 17ns = 1014ns.
1MHz PHI2 means a 1000ns cycle time.
Would suggest to replace the two CD4048 by two 74HCT688 comparators:
74HCT688 propagation delay A,B to output at VCC=4.5V, CL=50pF, 25°C: 34ns max.
74HCT688 propagation delay /E to output at VCC=4.5V, CL=50pF, 25°C: 24ns max.
Building something that's supposed to be bug compatible to an existing chip sure is quite a challenge.
//As in: "if it would be easy, more hobbyists would be doing that".
;---
Noticed, that pin 5 of U21..U24 (74HCT192 UP count) are not connected in your schematic.
You really should tie those pins to VCC to prevent timer B from acting strange by accident.
That's because 74HCT inputs have a high impedance, and they may see some "dirt" when left floating.
Switching a neon light in the same room most certainly would do for triggering a floating UP count pin.
;---
IMHO CD4048 isn't a good choice for detecting timer underflow:
CD4048 propagation delay inputs to output at VCC=5V: 300ns typ., 600ns max.
CD4048 propagation delay expand input to outputs at VCC=5V: 190ns typ., 380ns max.
The UNDERFLOW signal generated by the two CD4048 goes through a 74HCT08 (17ns max.) and a 74HCT04 (17ns max.),
So the worst case propagation delay from counter B outputs to U11A 74HCT74 PULSE flipflop input is:
600ns + 380ns + 17ns + 17ns = 1014ns.
1MHz PHI2 means a 1000ns cycle time.
Would suggest to replace the two CD4048 by two 74HCT688 comparators:
74HCT688 propagation delay A,B to output at VCC=4.5V, CL=50pF, 25°C: 34ns max.
74HCT688 propagation delay /E to output at VCC=4.5V, CL=50pF, 25°C: 24ns max.