I dug out my old schematics for an experimental 6522 TTL implementation, the X22.
Because the most recent version of Eagle can't open Eagle 3.55 files anymore, I converted them to *.png.
Edit:
The thread became a bit longer than expected, also featuring:
6521, 6523, 6532, 6545, 6551\6850.
;---
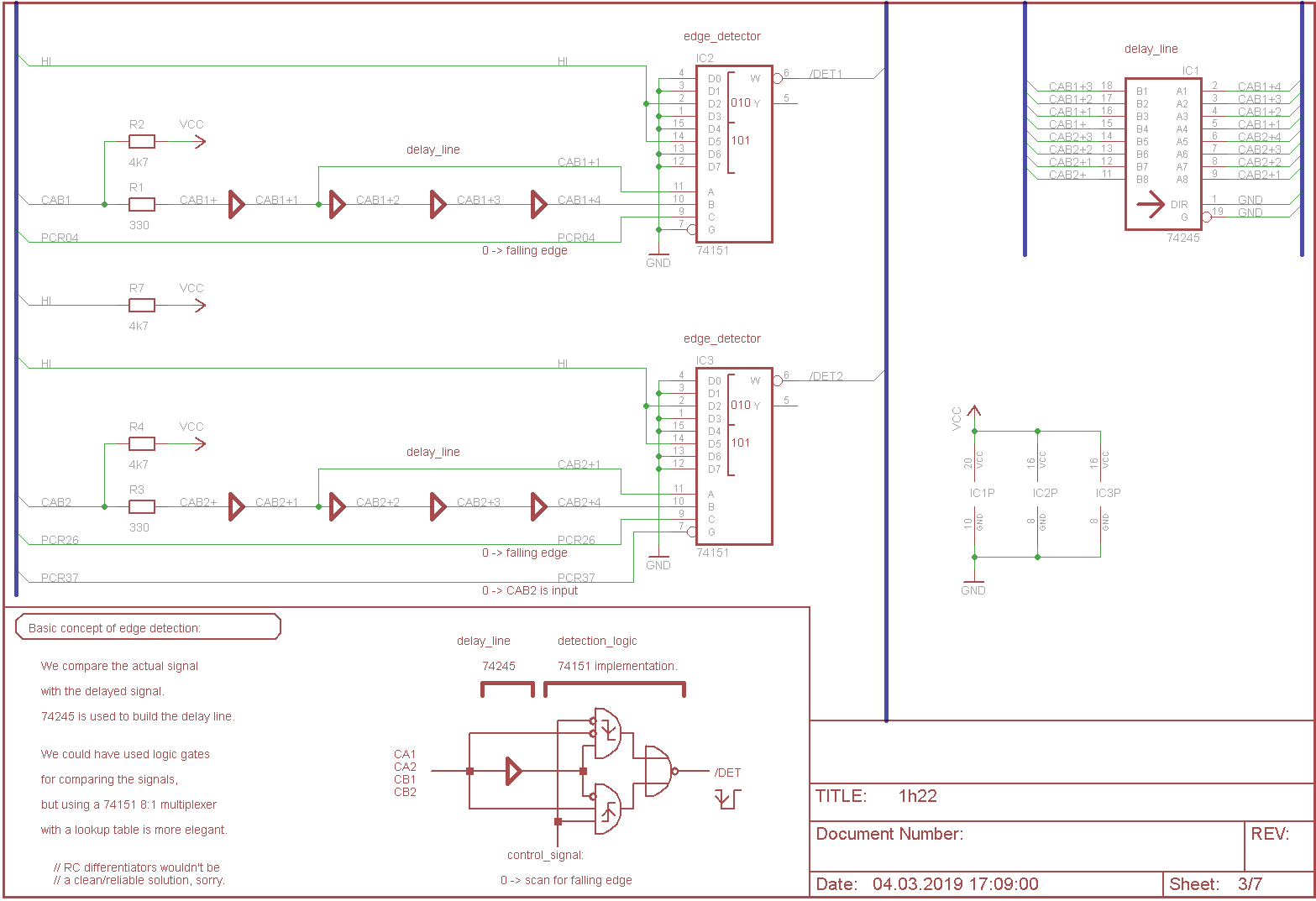
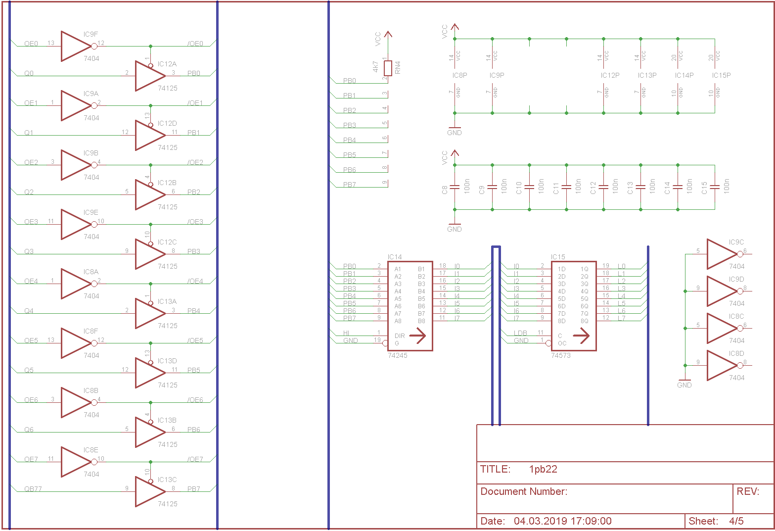
The design was experimental and partially untested,
I'm not sure if the timers were cycle exact,
and if you try to make use of these echematics,
please take them with a grain of salt and try to build things a bit different from them.
It seemed to have worked with a Rockwell R65C02-2 running at 4MHz.

Test setup:
Bottom: my DRC2 SBC, which is supposed to be compatible to the SBC-2.
2B22 bus interface is plugged into DRC2.
X22 backplane is plugged into the 2B22 bus interface.
Plugged into the X22 backplane, we have:
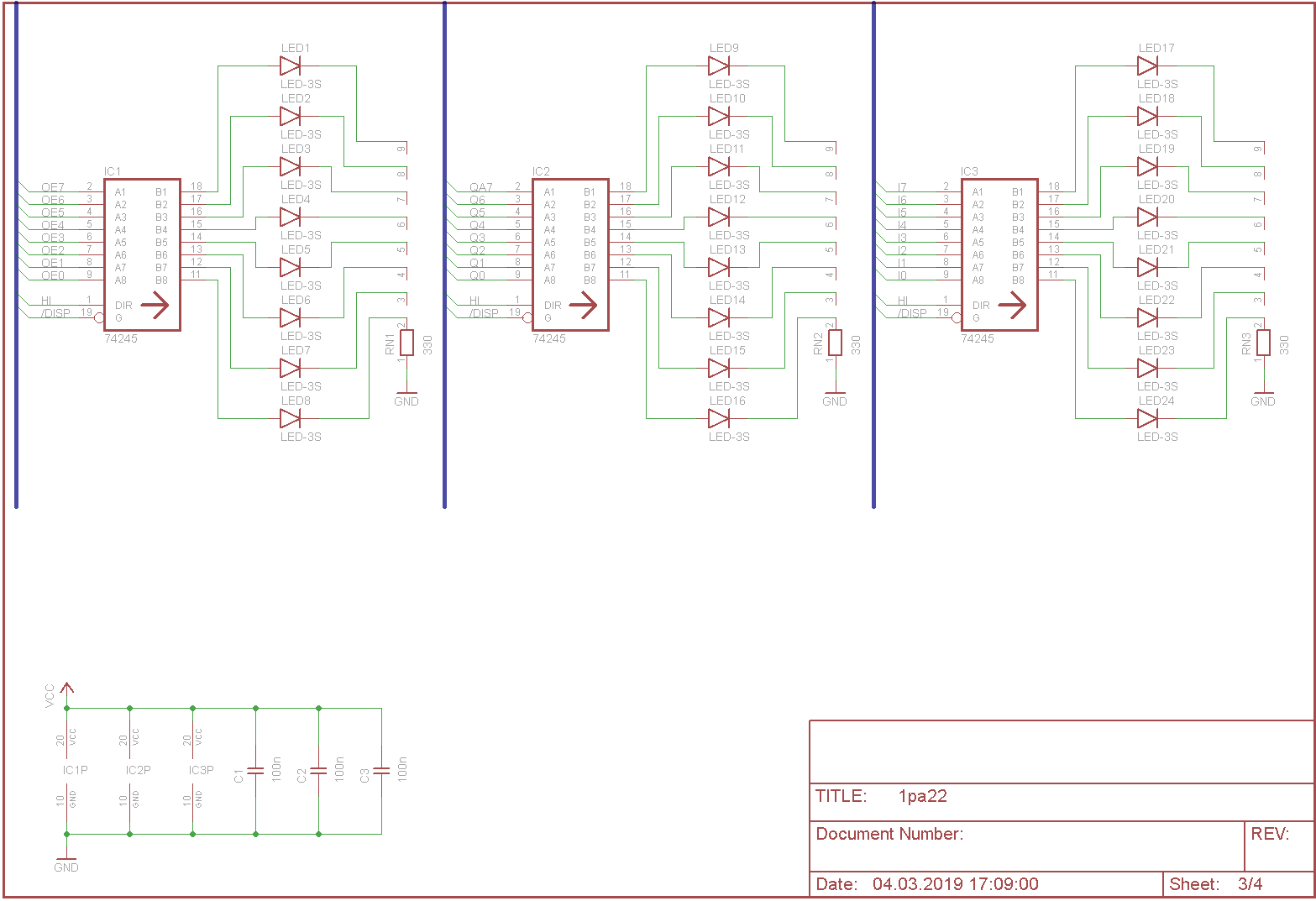
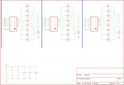
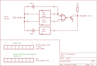
1* 1PA22, Port A module
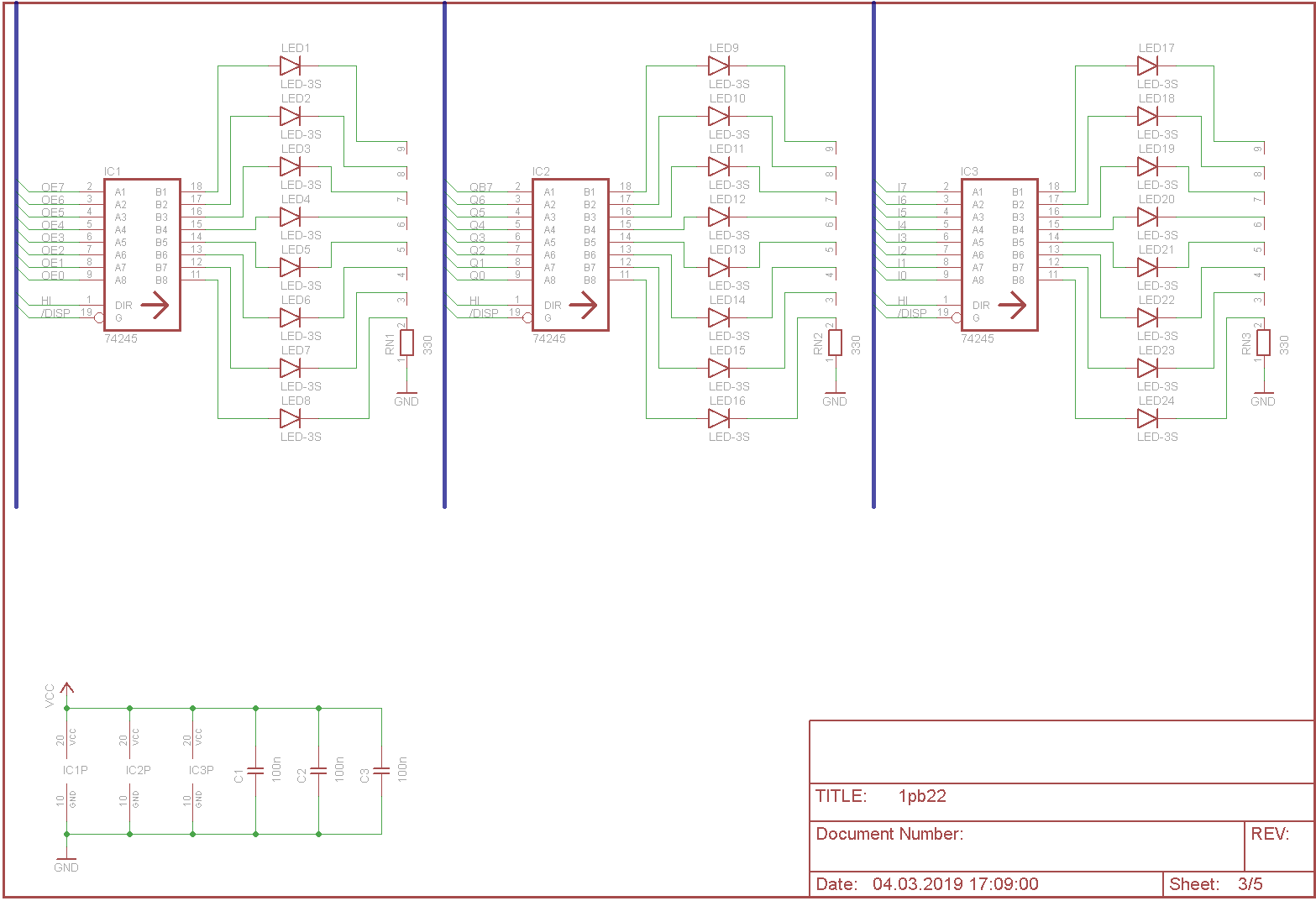
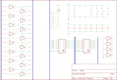
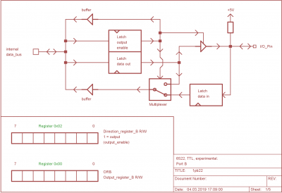
1* 1PB22, Port B module
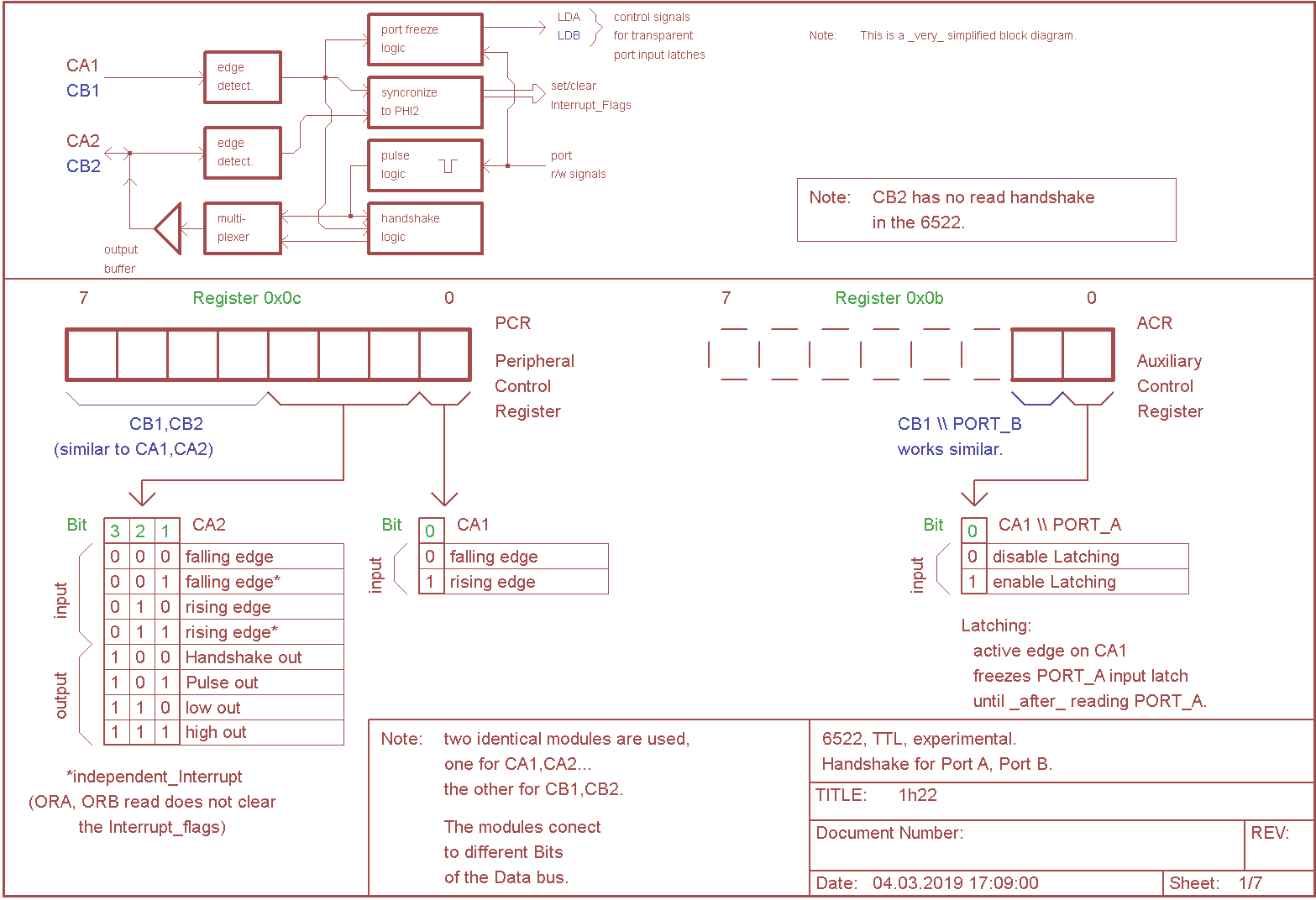
2* 1H22, handshake module
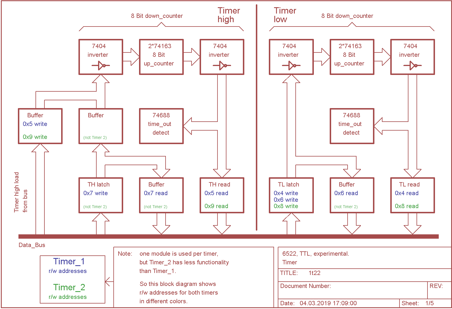
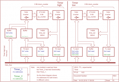
2* 1T22, timer module
1* 1TC22, timer control module
1* 1SR22, shift register module
1* 1I22, interrupt module








