Hi
I need to test some 6522 chips and after some discussion I droodled down this schematic:
and in monochrome
The basic idea is that I want to test its functionality, but also record the waveform of the different outputs to see that the chip is "within spec" or what parts of the chip that is actually such.
If you have any feedback on testing of such chips (or experience) I would like your comments/idea on this.
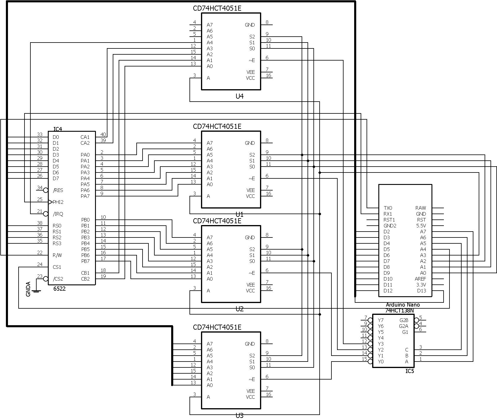
Testing 6522 chips
Testing 6522 chips
Last edited by kakemoms on Wed Dec 21, 2016 9:04 am, edited 1 time in total.
- BigDumbDinosaur
- Posts: 9426
- Joined: 28 May 2009
- Location: Midwestern USA (JB Pritzker’s dystopia)
- Contact:
Re: Testing 6522 chips
kakemoms wrote:
Hi
I need to test some 6522 chips and after some discussion I droodled down this schematic:
The basic idea is that I want to test its functionality, but also record the waveform of the different outputs to see that the chip is "within spec" or what parts of the chip that is actually such.
If you have any feedback on testing of such chips (or experience) I would like your comments/idea on this.
I need to test some 6522 chips and after some discussion I droodled down this schematic:
The basic idea is that I want to test its functionality, but also record the waveform of the different outputs to see that the chip is "within spec" or what parts of the chip that is actually such.
If you have any feedback on testing of such chips (or experience) I would like your comments/idea on this.
x86? We ain't got no x86. We don't NEED no stinking x86!
Re: Testing 6522 chips
BigDumbDinosaur wrote:
Could you please post that in monochrome?
- BigDumbDinosaur
- Posts: 9426
- Joined: 28 May 2009
- Location: Midwestern USA (JB Pritzker’s dystopia)
- Contact:
Re: Testing 6522 chips
kakemoms wrote:
Hi
I need to test some 6522 chips and after some discussion I droodled down this schematic...
I need to test some 6522 chips and after some discussion I droodled down this schematic...
Also, does your Arduino logic observe the requirement that the 65C22's chip selects and R/W be valid before the rise of Ø2?
x86? We ain't got no x86. We don't NEED no stinking x86!
- GARTHWILSON
- Forum Moderator
- Posts: 8773
- Joined: 30 Aug 2002
- Location: Southern California
- Contact:
Re: Testing 6522 chips
I've been careful about anti-static handling precautions, and the only '22 I've seen go bad apparently had a bond wire come loose on one of the I/O lines, making an open circuit. That was on one of our products that we sold from 1994-2007. On the workbench computers and breadboards, I've never seen one go bad, except there was one time many years ago that I accidentally let a screwdriver roll under the main workbench computer while it was powered up, and it shorted a bunch of the wire-wrap pins together and blew something. I never bothered to troubleshoot it. I think I just replaced all the ICs and got going again.
In my first build with a '22 though, I got tripped up by the very thing BDD is saying. The chip selects and R/W have to be valid and stable before Φ2 rises. IOW, you can't use Φ2 to gate the chip selects.
In my first build with a '22 though, I got tripped up by the very thing BDD is saying. The chip selects and R/W have to be valid and stable before Φ2 rises. IOW, you can't use Φ2 to gate the chip selects.
http://WilsonMinesCo.com/ lots of 6502 resources
The "second front page" is http://wilsonminesco.com/links.html .
What's an additional VIA among friends, anyhow?
The "second front page" is http://wilsonminesco.com/links.html .
What's an additional VIA among friends, anyhow?
- GARTHWILSON
- Forum Moderator
- Posts: 8773
- Joined: 30 Aug 2002
- Location: Southern California
- Contact:
Re: Testing 6522 chips
I'm not familiar with the Arduino, but it looks like you have the Φ2 input of the '22 connected to an input on the Arduino. Hopefully that pin can be an output too and you're using it that way.
It would be a good idea also to send a signal to CS2\ rather than just grounding it, to make sure it really works.
Thanks for the monochrome diagram. I don't have color-blindness problems like BDD (I think he said the light green is almost invisible against the white background), but that light-gray writing labeling the pins is awfully hard to read. Eagle apparently allows you to change the colors, but I wrote to them and asked them to supply it with defaults that are easier to see.
It would be a good idea also to send a signal to CS2\ rather than just grounding it, to make sure it really works.
Thanks for the monochrome diagram. I don't have color-blindness problems like BDD (I think he said the light green is almost invisible against the white background), but that light-gray writing labeling the pins is awfully hard to read. Eagle apparently allows you to change the colors, but I wrote to them and asked them to supply it with defaults that are easier to see.
http://WilsonMinesCo.com/ lots of 6502 resources
The "second front page" is http://wilsonminesco.com/links.html .
What's an additional VIA among friends, anyhow?
The "second front page" is http://wilsonminesco.com/links.html .
What's an additional VIA among friends, anyhow?
-
DerTrueForce
- Posts: 483
- Joined: 04 Jun 2016
- Location: Australia
Re: Testing 6522 chips
I believe that most pins on an Arduino can be used as digital I/Os. I've only ever used a Uno, but the pins marked as analog inputs on that can be individually set to digital inputs or outputs, if required.