VGA6448, text-based VGA in ATF1504AS CPLD

Topics relating to PALs, CPLDs, FPGAs, and other PLDs used for the support or creation of 65-family processors, both hardware and HDL.
plasmo
Posts: 1273
Joined: 21 Dec 2018
Location: Albuquerque NM USA

Re: VGA6448, text-based VGA in ATF1504AS CPLD

Post by plasmo »

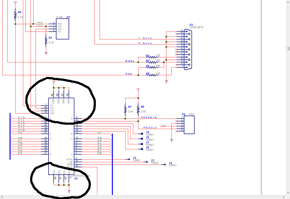
Well, this is embarrassing: I finished the PS2 keyboard state machine and ready to test it out, but the board current-limited at 1amp when the PS2 CPLD is inserted. Poke around a bit and realized the PS2 CPLD's VCC are connected to ground and grounds are connected to VCC! It turns out I've rotated the symbol 180 degree to facilitate the hooking up of the JTAG programming signals, but didn't realize ground terminals are now at the top and VCC terminals are at the bottom. Oops. Probably fried the CPLD and definitely need a new revision of pc board. In the meantime I'll cut out the VCC/GND connections and rewire them so I can continue testing.
Bill
Attachments
wrong_power_gnd_connections.jpg
User avatar
BigDumbDinosaur
Posts: 9425
Joined: 28 May 2009
Location: Midwestern USA (JB Pritzker’s dystopia)
Contact:

Re: VGA6448, text-based VGA in ATF1504AS CPLD

Post by BigDumbDinosaur »

plasmo wrote:
Poke around a bit and realized the PS2 CPLD's VCC are connected to ground and grounds are connected to VCC!
Ouch! :D
x86?  We ain't got no x86.  We don't NEED no stinking x86!
plasmo
Posts: 1273
Joined: 21 Dec 2018
Location: Albuquerque NM USA

Re: VGA6448, text-based VGA in ATF1504AS CPLD

Post by plasmo »

Ouch is right. This is worse than reversing power leads to a board, which I've also done a few times. I need to cut several traces and patch twice as many wires to undo the power reversal. At least it is a two-layer board with exposed power/ground traces that I can cut into.
Bill
plasmo
Posts: 1273
Joined: 21 Dec 2018
Location: Albuquerque NM USA

Re: VGA6448, text-based VGA in ATF1504AS CPLD

Post by plasmo »

I'm able to swap VCC and ground connections with 5 cuts and 9 jumpers. The CPLD actually survived the reverse voltage, setting current limit at 1amp probably had saved it from destruction. The PS2 keyboard controller appears to be working. I'll start a new topic about CPLD-based PS2 keyboard controller.
Bill
Attachments
DSC_66170726.jpg
plasmo
Posts: 1273
Joined: 21 Dec 2018
Location: Albuquerque NM USA

Re: VGA6448, text-based VGA in ATF1504AS CPLD

Post by plasmo »

Received rev2 of VGA6448 from JLCPCB. It fixed the power/ground mix up, but still has one missing connection which can be easily patched with a jumper wire. It is working well. I now have a 2-board standalone 6502 computer using CRC65 + VGA6448 on a RC2014 backplane driving a VGA monitor and PS2 keyboard. I'll create a separate topic for the standalone 6502 project.
Bill
Attachments
DSC_66411026.jpg
DSC_66421026.jpg
User avatar
BigDumbDinosaur
Posts: 9425
Joined: 28 May 2009
Location: Midwestern USA (JB Pritzker’s dystopia)
Contact:

Re: VGA6448, text-based VGA in ATF1504AS CPLD

Post by BigDumbDinosaur »

plasmo wrote:
Received rev2 of VGA6448 from JLCPCB. It fixed the power/ground mix up, but still has one missing connection which can be easily patched with a jumper wire. It is working well. I now have a 2-board standalone 6502 computer using CRC65 + VGA6448 on a RC2014 backplane driving a VGA monitor and PS2 keyboard. I'll create a separate topic for the standalone 6502 project.

What is that large chip to the right of the two CPLDs?
x86?  We ain't got no x86.  We don't NEED no stinking x86!
plasmo
Posts: 1273
Joined: 21 Dec 2018
Location: Albuquerque NM USA

Re: VGA6448, text-based VGA in ATF1504AS CPLD

Post by plasmo »

It is 4K dual port RAM, IDT71342. Available from utsource for about $2.50 each in small quantity. One side of the dual port RAM connected to 6502 as write-only memory and the other side is connected to CPLD as read-only video data and font.
Bill
plasmo
Posts: 1273
Joined: 21 Dec 2018
Location: Albuquerque NM USA

Re: VGA6448, text-based VGA in ATF1504AS CPLD

Post by plasmo »

I showed a "piggyback VGA" prototype on May 26, 2021 post of this thread. I like the way it looked and thought about how to make pc board version. This is what I come up with after 7 months.

It is two board assembly. The bottom board is 128Kx8 RAM base that plugs into 128Kx8 DIP RAM socket. The top board is CPLD, 4K dual port RAM, 25.175MHz oscillator, and VGA connector. It works, but sadly I still like the prototype better, but at least the pc board version is more producible.
Bill

Edit, I'm working on a new 128Kx8 RAM base that has another CPLD in quad flat pack format. That CPLD will handle the PS2 keyboard interface. This way the 2-board assembly can generate text VGA output and receive PS2 keyboard input.
Attachments
DSC_67640128.jpg
DSC_67650128.jpg
DSC_67670128.jpg
DSC_67680128.jpg
User avatar
Dr Jefyll
Posts: 3525
Joined: 11 Dec 2009
Location: Ontario, Canada
Contact:

Re: VGA6448, text-based VGA in ATF1504AS CPLD

Post by Dr Jefyll »

plasmo wrote:
I still like the prototype better
I totally get it, Bill. The new version is a lovely piece of work. But I, too, prefer the original. "Who says I can't just do it like this...!" :P

-- Jeff
Attachments
VGA piggyback on RAM.jpg
VGA piggyback on RAM.jpg (23.45 KiB) Viewed 2153 times
In 1988 my 65C02 got six new registers and 44 new full-speed instructions!
https://laughtonelectronics.com/Arcana/ ... mmary.html
plasmo
Posts: 1273
Joined: 21 Dec 2018
Location: Albuquerque NM USA

Re: VGA6448, text-based VGA in ATF1504AS CPLD

Post by plasmo »

The prototype harks back to the earlier days when I did lots of prototyping. Those were the Wild Wild West days when we had tried many different ideas, some even worked. That's how innovations came about--trying a lot of ideas. I remembered your initial comment was:
Dr Jefyll wrote:
Whoa -- it's hideous and gorgeous at the same time! :lol:
I got that a lots, especially the "hideous" part. :P
Bill
Post Reply