BDD, thanks for the appreciation/compassion and the kind words.
To me, it is helpful to keep going, times are not easy for me right now.
Greyish-white wire.
Remembers me back to that day during apprenticeship, when I had to do a cable harness.
It started with placing a drawing on a piece of wood ...
Search found 1469 matches
- Wed Mar 11, 2026 3:12 pm
- Forum: Hardware
- Topic: 8521 dissection
- Replies: 61
- Views: 14992
- Wed Mar 11, 2026 5:46 am
- Forum: Hardware
- Topic: 8521 dissection
- Replies: 61
- Views: 14992
Re: 8521 dissection
Just one small nitpick - R_IFR (not W_IFR) should be connected to the readout of D7io.
Dang. Fixed this.
In my defense, I have to say that my head is full of 6561, and that it's getting increasingly difficult for me to stay focused/concentrated.
This reminds me that KiCad probably still doesn't ...
Dang. Fixed this.
In my defense, I have to say that my head is full of 6561, and that it's getting increasingly difficult for me to stay focused/concentrated.
This reminds me that KiCad probably still doesn't ...
- Tue Mar 10, 2026 10:53 am
- Forum: Hardware
- Topic: 8521 dissection
- Replies: 61
- Views: 14992
Re: 8521 dissection
Dang: 10b)
In the schematics, it's low_active INT_ACT#, and that's correct.
In the chip pictures, that signal is labeled INT_ACT, high_active, and that's not correct. Fixed this. :roll:
Just for you, a quick drawing made from your 6526 ICR guesswork:
6526_icr.png
Dead Bird Eagle 6.4 schematic ...
In the schematics, it's low_active INT_ACT#, and that's correct.
In the chip pictures, that signal is labeled INT_ACT, high_active, and that's not correct. Fixed this. :roll:
Just for you, a quick drawing made from your 6526 ICR guesswork:
6526_icr.png
Dead Bird Eagle 6.4 schematic ...
- Wed Mar 04, 2026 1:59 pm
- Forum: Hardware
- Topic: 8521 dissection
- Replies: 61
- Views: 14992
Re: 8521 dissection
Hi Dag,
I have just finished a MOS 8521 FPGA implementation based on your excellent work - kudos to you!
See https://github.com/daglem/reDIP-CIA
Thanks for the kind words.
It's always nice for us to see somebody putting our work to good use. :)
Here are a few comments / corrections which you ...
I have just finished a MOS 8521 FPGA implementation based on your excellent work - kudos to you!
See https://github.com/daglem/reDIP-CIA
Thanks for the kind words.
It's always nice for us to see somebody putting our work to good use. :)
Here are a few comments / corrections which you ...
- Mon Dec 08, 2025 7:22 am
- Forum: Hardware
- Topic: list of chip dissections
- Replies: 26
- Views: 32344
Re: list of chip dissections
Thanks Orac81, we are aware of this thread.
Now for an update on the current situation:
The job at that obscure small company I mentioned is delayed due to a lack of funding.
My next temporary working contract at the university will maybe last 6 months due to a lack of funding.
Working conditions ...
Now for an update on the current situation:
The job at that obscure small company I mentioned is delayed due to a lack of funding.
My next temporary working contract at the university will maybe last 6 months due to a lack of funding.
Working conditions ...
- Wed Oct 29, 2025 10:21 am
- Forum: Hardware
- Topic: Extra MC6847 Mode Controls ❓
- Replies: 2
- Views: 730
Re: Extra MC6847 Mode Controls ❓
Bitsavers:
AN-0815_Color_Graphics_For_The_MC68000_Using_The_MC6847.pdf
Not related to your question, but looks interesting nonetheless:
Retrocomputing Stack Exchange:
How did the Dragon modify 6847 video output timing for PAL?
AN-0815_Color_Graphics_For_The_MC68000_Using_The_MC6847.pdf
Not related to your question, but looks interesting nonetheless:
Retrocomputing Stack Exchange:
How did the Dragon modify 6847 video output timing for PAL?
- Mon Oct 13, 2025 8:08 am
- Forum: Hardware
- Topic: list of chip dissections
- Replies: 26
- Views: 32344
Re: list of chip dissections
Friends, thanks for the condolences and the compassion.
This helps.
My father was quite active util the stroke. He died at age 87.
And the work he did in the house + garden now became my work...
This helps.
My father was quite active util the stroke. He died at age 87.
And the work he did in the house + garden now became my work...
- Fri Oct 10, 2025 6:56 am
- Forum: Hardware
- Topic: list of chip dissections
- Replies: 26
- Views: 32344
Re: list of chip dissections
News update for October 2025:
My father had a severe stroke in July, and died after two weeks in hospital.
The paperwork caused by his death kept me busy for 3 months.
But at least now I recovered from the failed WD1772-02 dissection.
Took a look at some part of the SSI263AP / Votrax SC-02 speech ...
My father had a severe stroke in July, and died after two weeks in hospital.
The paperwork caused by his death kept me busy for 3 months.
But at least now I recovered from the failed WD1772-02 dissection.
Took a look at some part of the SSI263AP / Votrax SC-02 speech ...
- Mon Jun 16, 2025 10:20 am
- Forum: Hardware
- Topic: 'transistor logic modules' versus 6502
- Replies: 12
- Views: 2829
Re: 'transistor logic modules' versus 6502
Thanks, Ed.
The problem with logic level FETs is, that they have more capacitance than bipolar transistors,
what limits the speed.
The problem with logic level FETs is, that they have more capacitance than bipolar transistors,
what limits the speed.
- Thu Jun 12, 2025 6:31 am
- Forum: Hardware
- Topic: 'transistor logic modules' versus 6502
- Replies: 12
- Views: 2829
Re: 'transistor logic modules' versus 6502
That's all so far.
You are on your own.
Good luck.
You are on your own.
Good luck.
- Thu Jun 12, 2025 6:30 am
- Forum: Hardware
- Topic: 'transistor logic modules' versus 6502
- Replies: 12
- Views: 2829
Re: 'transistor logic modules' versus 6502
pla.sch, pla.brd
It's rather big. Note that a 6502 would require 10 such modules.
+3.3V supply, CTL AND based PLA with 22 (buffered) inputs and 15 outputs.
Pulldown resistors at the CTL gate outputs are not included,
because you may want to build big AND/OR combination gates by creatively ...
It's rather big. Note that a 6502 would require 10 such modules.
+3.3V supply, CTL AND based PLA with 22 (buffered) inputs and 15 outputs.
Pulldown resistors at the CTL gate outputs are not included,
because you may want to build big AND/OR combination gates by creatively ...
- Thu Jun 12, 2025 6:28 am
- Forum: Hardware
- Topic: 'transistor logic modules' versus 6502
- Replies: 12
- Views: 2829
Re: 'transistor logic modules' versus 6502
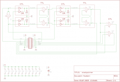
stackpointer.sch, stackpointer.brd //one Bit.
+3.3V supply.
Two CTL outputs with enable.
Pulldown resistors at the CTL gate outputs are not included, because you might want to connect them to bus lines.
+3.3V supply.
Two CTL outputs with enable.
Pulldown resistors at the CTL gate outputs are not included, because you might want to connect them to bus lines.
- Thu Jun 12, 2025 6:27 am
- Forum: Hardware
- Topic: 'transistor logic modules' versus 6502
- Replies: 12
- Views: 2829
Re: 'transistor logic modules' versus 6502
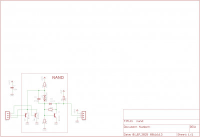
nand.sch, nand.brd
+3.3V supply.
BSV52 based TTL NAND, open collector output with pullup resistor.
2 inputs, expandable with external PNP transistors.
+3.3V supply.
BSV52 based TTL NAND, open collector output with pullup resistor.
2 inputs, expandable with external PNP transistors.
- Thu Jun 12, 2025 6:21 am
- Forum: Hardware
- Topic: 'transistor logic modules' versus 6502
- Replies: 12
- Views: 2829
Re: 'transistor logic modules' versus 6502
driver.sch, driver.brd
+5V supply, when being creative 4 modules can be stacked, one inverting driver with high_active output enable.
Note that building (relatively) fast drivers which can handle capacitive loads requires "some black magic",
do don't expect this schematic to really work without ...
+5V supply, when being creative 4 modules can be stacked, one inverting driver with high_active output enable.
Note that building (relatively) fast drivers which can handle capacitive loads requires "some black magic",
do don't expect this schematic to really work without ...
- Thu Jun 12, 2025 6:19 am
- Forum: Hardware
- Topic: 'transistor logic modules' versus 6502
- Replies: 12
- Views: 2829
Re: 'transistor logic modules' versus 6502
buf2.sch, buf2.brd
+3.3V supply.
Two CTL buffers, pulldown resistors at the outputs not included.
Thing is, that the outputs can be wired together for forming an OR gate.
+3.3V supply.
Two CTL buffers, pulldown resistors at the outputs not included.
Thing is, that the outputs can be wired together for forming an OR gate.